Part1-Timer
Recall:RC电路的充放电公式

- 时间常数:$τ=RC $
- 充电:$V_c=(1-e^{-t/τ})$
- 放电:$V_c=V_i\cdot e^{-t/τ}$
- 充放电时间:5τ
上面这个充放电的e就是下式中提到$ln$的来源。
555定时器
引入
555定时器内部电路结构图如下

其有以下几种工作模式:
非稳态:做为一个电子振荡器,输出PWM波。
单稳态:类似于延时开关,收到一个输入脉冲时,电平跳变一段时间,随后跳回原来电平
双稳态:受到两个输入控制,第一个收到脉冲时使芯片保持高电平输出,第二个收到脉冲时使芯片保持低电平输出。
施密特触发器:稳定输入电平。
555timer支持流入或流出最高200ma的电流(具体的可能不一样,需要参考制造商手册),驱动更高电流需要放大电路。
非稳态(A-Stable)电路
电路分析
非稳态电路图如下:

- 在上电一瞬间,$Vc=0,$ 比较器1输出0 (reset=0),比较器2输出1 (set=1);所以SR Flip-Flop输出高电平,同时Q1关闭使C充电。
- 当充电$VTL<Vc<VTH$时,比较器1和2都输出0,此时SR锁存器保持。
- 当充电vc>VTH时,比较器1输出1 (reset=1),比较器2输出0 (set=0);输出低电平,同时Q1打开使得C放电。
- 当放电至$VTL<Vc<VTH$,保持。
- 当放电至vc<VTL时,比较器1输出0 (reset=0),比较器2输出1 (set=1);此时输出高电平,Q关闭使得C充电。
因此,其波形为:

电容充电时,$R=R_A+R_B$,故时间常数$τ=C(R_A+R_B)$
电容放电时,$R=R_B$,故$τ=R_B C$
由于$V_{TH}=\frac{2}{3} VCC,V_{TL}=\frac{1}{3} VCC$,得到充电时间$T_H$和放电时间$T_L$的公式(下式中0.69来自于$ln(2)\approx0.69$):
震荡周期T为:
占空比D为:
如果RA和RB相等,那么67%T的时间会是高电平33%T的时间会是低电平。
50%占空比设计方法

上图电路在加上二极管后允许电容直接通过RA充电,但也因为二极管产生了0.7V的压降,造成RB有一定的漏电流,因此公式变为
这里$T_H,T_L$充放电收到二极管影响不均,因此再改进一下:

此时充放电都需要收到二极管的压降影响,而且杜绝了漏电流的存在。新的公式也变为:
单稳态(Monostable)电路:
单稳态电路图如下:

- 在上电开始时,Vtrigger(上图中蓝色方波的位置)保持高电平,vc<VTH,两个比较器都输出0;保持现状(输出0),Q打开接地,电容无法充电。
- 当Trigger收到低电平脉冲时,比较器1输出0 (reset=0),比较器2输出1(set=1);输出1,同时Q关闭C开始充电。
- 当VTL<vc<VTH时,比较器1输出0(reset=0),同时Trigger因为脉冲时间很短已经回到0 (set=0),保持现状(输出1)。
- 当vc>VTH,比较器1输出1 (reset=1),比较器2输出0(set=0);输出0,同时Q打开让电容再次接地无法充电
整个充放电波形如下图所示。

电容充电时间(高电平保持时间)$T=CRln(3)≈1.1CR$
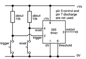
双稳态(Bistable)电路:

双稳态电路非常简单。
- 在没有按键按下时,两个比较器输入都等于VCC>VTH>VTL,所以比较器输出0;输出保持现状。
- 在Trigger被按下时,比较器1输出0 (reset=0),比较器2输出1 (set=1),故输出高电平。释放按键后回到状态1稳定。
- 在Reset被按下时,比较器1输出1 (reset=1),比较器2输出0 (set=0);故输出低电平。释放按键后回到状态1稳定。
本博客所有文章除特别声明外,均采用 CC BY-NC-SA 4.0 许可协议。转载请注明来自 風!