Part1-CH5-组合电路-构建快
多路复用器
多路复用器可以使用逻辑门制造,也可以使用Transition Gate 制造。一个多路复用器具有n个输入,那么就需要$log_{2}{n}$路选择信号。考试中最多出现4 to 1多路复用器。

例题:2x2交叉选择器
![]() |
![]() |
使用多路复用器构建逻辑函数 五星级中的五星级

如上图这个情况,使用$w_1,w_2$做为选择信号,可以把输出分为4个case:
- Case 0: $w_1=0,w_2=0$, 输出为0
- Case 1: $w_1=0,w_2=1$, 输出等于$w_3$
- Case 3: $w_1=1,w_2=0$,输出等于$w_3$
- Case 4: $w_1=1,w_2=1$,输出等于1
这样就实现了用多路复用器来实现基础的逻辑组合。除了简单的电路外,还可以使用逻辑门的输出和多路复用器进行组合,实现更复杂的电路。
香农拓展定理(Shannon’s Expansion Theorem)
香农拓展定理的核心理念是:对于一个Boolean function, 可以把它写为分解为$w_1 (…)+ \overline w_1 (…)$,也就是$w_1$和$\overline w_1$下的两种情况。这里的$w_1$为称为辅因子(cofactor). 那么对于一个有$w_n$项的布尔函数,把$w_1$作为辅因子,可以写成如下表达式:
几个分解的例题:
- 例1:
可分解为:
- 例2
可分解为:
- 例3
使用$w_1$作cofactor:

使用$w_1w_2$做cofactor:

解码器(decoders)
解码器电路接受$n$个输入,产生$2^n$个输出。其作用是将收到的数据映射到对应的线路上去。举个例子,假设一个2bit decoder受到的数据是11,对应十进制是3(第四个数,从0开始数),那么它会把输出的第4条线置高电平。下面是一个2bit解码器的例子

使用多路复用器的思路,也可以用两个2 to 4 decoder 合成一个 3 to 8 decoder

解码器最重要的应用之一是用于存储信息的存储块寻址:
输入想要访问的存储单元的地址,解码器即可将那一行使能(此处可以b站了解一下NAND闪存或者固态硬盘工作原理)

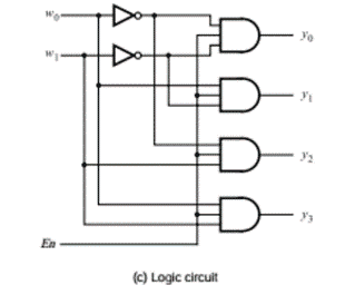
多路分解器(Demultiplexer)
Multiplexer使用不同switch输入组合选择输出不同的单条线路。Demultiplexer使用不同的Switch输入组合将单条线路输出到在多个不同的数据输出上。
Demultiplexer 可以用 Decoder实现,下图就是个例子。右图$w_1 w_2$被用作Switch 信号,En被用作输入信号。$w_1 w_2$控制En信号在那条路上被输出。

编码器 (Encoder)
编码器是Decoder的逆过程,它接受$2^n$条输入,产生n个输出。n个输出呈现二进制数,用于表示是哪一条输入。

译码器(Code Converter)
把输入翻译成特定的输出。例如用来点亮7为数码管的code converter, 会把二进制数字输入转化成对应的pattern输出。

算术比较电路
算术比较电路接受两个二进制数输入,记为A和B,比较A和B大小后输出A>B,A=B,A<B三个输出。
举个例子:

在这个例子中,定义一个中间信号$i_k=\overline {a_k\oplus b_k}$
则:A=B可表示为:$AeqB=i_3i_2i_1i_0$,A>B可表示为$AgtB= a_ {3} \overline {b}_ {3} + i_ {3} a_ {2} \overline {b}_ {2} + i_ {3} i_ {2} a_ {1} \overline {b}_ {1} + i_ {3} i_ {2} i_ {1} a_ {0} \overline {b}_ {0}$ , A<B可表示为:$AltB=\overline {AeqB+AgtB}$
算术比较电路也可被分为两类:有符号的,无符号的。
- 有符号的:认为输入的数据是以补码的形式输入的,第一位为符号位,这类算术比较电路通常使用加法电路来比较大小
- 无符号的:认为输入数据都是原码格式,没有符号位,这类算术比较电路通常直接比较,上图就是无符号的例子

